Douche glasklem hoekverbinder Santos HD glas/wand 90° – per 2 stuks
art.nr.: BO5218440
art.nr.: BO5218440
€ 93,76 - excl. btw € 77,49
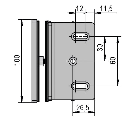
- Glasdikte ESG (enkelvoudig veiligheidsglas): 10 – 12 mm
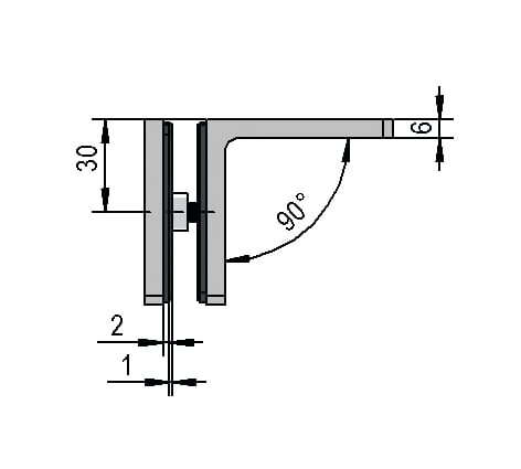
- Hoek: 90°
- Type montage: Glas/Wand
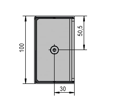
- Breedte: 60 mm
- Hoogte: 100 mm
- Glaspaneel type: Vast paneel
- Bohle – hoekverbinder Santos HD
Douche glasklem hoekverbinder Santos HD glas/wand 90° – per 2 stuks
Deze hoekverbinder is bedoeld om een glazen zijwand stevig te verbinden met een vaste muur. Het is een praktische oplossing voor het creëren van een stabiele en strakke glazen structuur in bijvoorbeeld douchewanden of scheidingswanden. Dit type verbinder wordt vaak gebruikt bij glazen douches waar een zijpaneel haaks op de wand wordt geplaatst. De bevestiging is eenvoudig en vereist alleen basisboringen in het glas, wat de montage snel en overzichtelijk maakt.
Voordelen:
-
Voor de bevestiging is alleen een glasboring nodig; geen ingewikkelde bewerkingen
-
De schroeven zijn weggewerkt, wat zorgt voor een strakke en rustige uitstraling
-
De afdekkapjes zijn voorzien van een kliksysteem, waardoor ze eenvoudig te plaatsen en te verwijderen zijn zonder beschadiging
Extra details:
- Vlakliggend: Nee
- Omhoog-omlaag functie: Nee
- Materiaal: Messing
- Glasuitsparing vereist: Ja, boorgatdiameter van 20 mm
- Afdekplaten: Ja, schroeven uit het zicht
Beschikbaar in de kleuren:
- Verchroomd glanzend
- RVS-look geborsteld mat
Gerelateerde producten
incl. 21% btw €
30.06
excl. 21% btw €
24.84
art.nr.: CRL.SGC039
incl. 21% btw €
45.25
excl. 21% btw €
37.40
art.nr.: CRL.SGC0398
incl. 21% btw €
25.08
excl. 21% btw €
20.73
art.nr.: QR.205015
incl. 21% btw €
81.47
excl. 21% btw €
67.33
art.nr.: QR.134270-13-12
incl. 21% btw €
96.74
excl. 21% btw €
79.95
art.nr.: BO8740555
incl. 21% btw €
72.59
excl. 21% btw €
59.99
art.nr.: CRL.BEL180S
















